

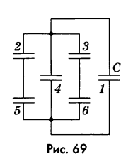
Можете, пожалуйста помочь. Как в этой задаче определить, какие конденсаторы соединены последовательно/параллельно, и как из этого найти заряды
Ну последовательность/параллельность у конденсаторов такая же, как и у резисторов.
Получается
3 последовательно с 6
2 последовательно с 5
3-6 параллельно 2-5 параллельно 4
Если конденсаторы последовательны, то у них одинаковые заряды, если параллельны — напряжение.
И остаётся один вопрос: что делать с конденсатором 1?
он параллелен батарее конденсаторов
              
              
              5 лайков