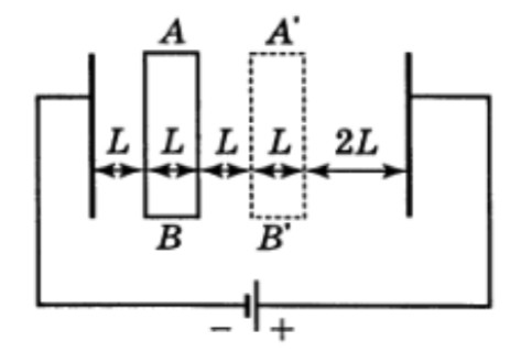
Плоский конденсатор подсоединён к источнику постоянной ЭДС E . В конденсатор параллельно его обкладкам вносят заряженную проводящую пластину толщиной L и располагают её на расстоянии L и 4L от каждой из обкладок конденсатора (рис.). Заряд пластины положителен и равен заряду Q конденсатора до внесения пластины. Форма и площадь пластины и обкладок конденсатора одинаковы, расстояние L много меньше размеров пластины. Какую работу необходимо совершить, чтобы переместить пластину из положения AB в положение A’B’?

Нашел заряды конденсатора при внесении пластины в АБ и в А’Б’.
Я знаю что A+Aист.=deltaW
где Аист.=deltaq*E
чему равняется дельтаW
таким образов не получается: q2E/2-q1E/2
представь пластину как две плоские закороченые пластины, потенциал на обеих пластинах теперь одинаковый и ведет она себя также как и изначальная коробка, на пластинках будет индуцироваться заряд в сумме дающий Q
Так я это нашел проблема в нахождении изменении Энергии. У меня вышло при внесении пластины q1=3Q/2. При перемещении пластины q2=11Q/10
Уф как много алгебры там…
q1=3Q/2. При перемещении пластины q2=11Q/10
Там не будут одинаковые заряды с двух сторон
Тут важен хороший рисунок, надо нарисовать поле от каждой из пластин которые есть
Выберем Q_1 - заряд слева, Q_2 - заряд справа (предположим что оба больше нуля, это не повлияет т.к поле меняет направление вместе с ним)
Три уравнения для первого случая - \Sigma U = \xi, E_{\Sigma} =0, Q_1 + Q_2 = Q =>
=> Q_1 = Q_2 + 2q, \xi = \frac{10q - 3Q}{2\epsilon_0 S}L, Q = Q_1 + Q_2
Это можно разрешать,
q = \frac{\epsilon_0 \xi S}{5L} + \frac{3}{10}Q
Когда пластину передвинули, заряды на коробке как-то изменились но это и не важно, как оказывается,
q' = \frac{\epsilon_0 \xi S}{5L} - \frac{1}{10}Q
Теперь считаем энергию по обе стороны пластины до и после - это энергия поля, что важно. Я, честно, устал во всех этих расчетах тонуть недосчитал, и так думаю где-то минус или что-то такое потерял
Можешь кинуть ответ, мне кжс я усложняю силна.
PS: q и q’ - это заряды на обкладках главного кондера, они равны с обоих сторон из ЗСЗ, E_{\Sigma} =0 - это внутри проводника