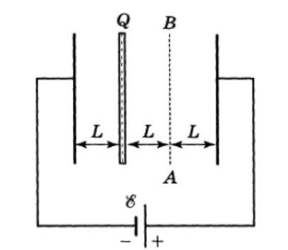
Плоский конденсатор
подсоединён к источнику с постоянной ЭДС E . В конденсатор параллельно его обкладкам вносят тонкую пластину, состоящую из соприкасающихся латунного и медного листов, и
располагают её на расстояниях L и 2L от каждой из обкладок
(рис.). Заряд пластины положителен и равен заряду Q конденсатора до внесения пластины. Форма и площадь пластины
и обкладок конденсаторов одинаковы, расстояние L намного
меньше размера пластины. Затем латунный лист (левая часть
пластины) удерживают на месте, а медный перемещают в положение AB. Какую силу необходимо приложить к медному
листу в положении AB для его удержания?
не понял, как решать. Вышло 2 уравнения с 4 неизвестными
Можете показать какие именно уравнения вышли?
Q=q1+q2, где q1 и q2 - заряды частей пластины;
E = 3qL/(E0s) + (q1-q2)L/(2E0s), где E - ЭДС, E0 - постоянная, s - площадь пластины
Вот как решила я, вышел красивый ответ, думаю правильный:
Латунь и медь имеют разную диэлектрическую проницаемость, значит их взаимодейтсвие с электрическим полем будет разным.
Запишем общую энергию системы:
W = \dfrac{1}{2} C_{экв}U^2
Теперь рассчитаем эквивалентную ёмкость, нам известно что площадь пластин и обкладок конденсатора одинаковы:
c_{экв} = \dfrac{ \varepsilon_1 \varepsilon_0 S}{L} + \dfrac{\varepsilon_1 \varepsilon_0 S}{2L} , где \varepsilon_1 - диэлектрическая проницаемость латуни, а \varepsilon_2 -меди.
W = \dfrac{1}{2} ( \dfrac{\varepsilon_1 \varepsilon_0 S}{L} + \dfrac{\varepsilon_2 \varepsilon_0 S}{2L}) U^2
W = \dfrac{1}{2} \cdot \dfrac{ \varepsilon_0 S U^2}{L} (\varepsilon_1 + \dfrac{\varepsilon_2}{2})
При перемещении медной части, эффективная плоащдь меди меняется:
C_{медь} = \dfrac{\varepsilon_2 \varepsilon_0 S_{эфф}}{2L} = \dfrac{\varepsilon_2 \varepsilon_0 x S}{2L}
Новая энергия:
W = \dfrac{1}{2} \cdot \dfrac{\varepsilon_0 S U^2}{L} (\varepsilon_1 + \dfrac{\varepsilon_2 x}{2})
Сила:
F = - \dfrac{dW}{dx}
F = - \dfrac{d}{dx} [ \dfrac{1}{2} \cdot \dfrac{\varepsilon_0 S U^2}{L} (\varepsilon_1 + \dfrac{\varepsilon_2 x }{2})]
F = \dfrac{\varepsilon_0 S U^2 \varepsilon_2}{4L}
Q = CU
C = \dfrac{\varepsilon_0 S}{L}
S = \dfrac{QL}{\varepsilon_0 U}
Подставляя S в формулу силы получаем конечный ответ:
F = \dfrac{Q E \varepsilon_2}{4}, где U = E
Надеюсь смогла помочь, если будут вопросы, задавайте.
Всегр доброго:)
В вашем решении и в конечном ответе есть беда с размерностями. Ещё в задаче же не дана \varepsilon_2 .
всё равно как-то не очень понятно, откуда вывели Q, q1 и другие величины.
Латунь и медь проводниковые материалы, внутри них по определению напряженность должна быть равна нулю. Пользуясь суперпозицией остальных полей внутри и приравнивая их сумму к нулю можно получить зарядики
из условия, Q = \frac{\epsilon_0S\mathcal{E} }{3L}
Изначально на двух пластинках индуцируется разный заряд, такой, чтобы поле внутри было нулем. Пусть на правой пластине кондера и пластины Q_1 и q_1, а на левой Q_2 и q_2
сохранение заряда
Напряжение между пластинами равно ЭДС
Из этих трех уравнений надо для дальнейшей возни найти q_1 = \frac{-2\epsilon_0S\mathcal{E} }{9L}, q_2 = \frac{5\epsilon_0S\mathcal{E} }{9L}
Теперь когда правую пластинку с зарядом q_1 передвинут, перераспределяться заряды только на обкладках самого кондера -> Q'_1, Q'_2
Напряжение между пластинами равно ЭДС
Точно так же для новой ситуации
Поле в плоскости рассматриваемой пластины
Ааа, теперь понятно. Спасибо за пояснение

