2 лайка
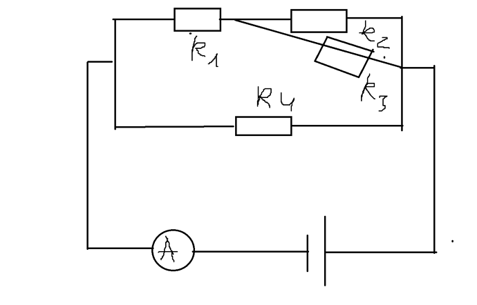
Думаю здесь не нужно смотреть прям со сверхнеестественной стороны, тут первое то нужно обратить внимание, то что это схема похоже на мостовую цепь, но есть одно различие - пятого резистора на нижней правой стороне нет.
Первая подсказка:
Тут видно то, что провода R2 и R3 пересекаются в двух точках, не сложно предположить, что они соединены параллельно. И да тут можно двигать R3 как хотим главное чтобы соединяло провода R4, R1 и R3
Вторая подсказка:
Система можно даже так представить и тут видно, что R1 и R23 соединены последовательно и т.д.
мы можем провода R3 двигать как хотим главное, что мы соответствовало условию
P.S. Советую сначала прочитать одну подсказку, потом продумать остальные
4 лайка

